防爆行業領先的一站式集成服務提供商
防爆行業領先的一站式集成服務提供商
防爆行業領先的一站式集成服務提供商
防爆行業領先的一站式集成服務提供商
防爆行業領先的一站式集成服務提供商
防爆行業領先的一站式集成服務提供商
防爆行業領先的一站式集成服務提供商
防爆行業領先的一站式集成服務提供商
防爆行業領先的一站式集成服務提供商
防爆行業領先的一站式集成服務提供商
防爆行業領先的一站式集成服務提供商
防爆行業領先的一站式集成服務提供商
防爆行業領先的一站式集成服務提供商



功能特性: 可用在I區、II區爆炸性氣體危險場所,亦可用在21區、22區可燃性粉塵環境,由于采用先進的防爆結構,設備可廣泛應用在化工、石油、天然氣、海上平臺、船舶、礦區等需防爆場所; 不銹鋼,堅固耐用,耐腐蝕; 發熱體為加熱管,加熱管在耐高溫不銹鋼無縫管內均勻地分布高溫電阻絲,在空隙部分致密地填入導熱性 能和絕緣性能均良好的結晶氧化鎂粉使得防爆電加熱管熱效率高,散熱均勻,使用壽命長;
廠家直銷
品質保障
閃電發貨
服務無憂
產品描述:
防爆電加熱器是一種消耗電能轉換為熱能,來對需加熱物料進行加熱。
防爆電加熱器作為防爆部件,應當與熱電偶等溫度聯鎖控制保護系統配合使用;
加熱介質為液體時,元件的有效長度應當全部浸在液體中。元件發熱部份應與容器壁有一定距離,一般為50—60mm以上。
工作電壓不大于額定值的1.1倍,防爆電加熱器電源為380V的按照“Y”型接法,使用前認準并連接好電源,外殼應有效接地;
訂貨備注:
1、額定電壓:□AC220V □AC380V
2、加熱管長度,安裝法蘭均可訂制
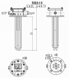
外形尺寸:(僅作參考)
技術參數:
| 防爆參數 | |
| 防爆合格證編號 | CNEx15.0247U |
| 防爆標志 | Ex d ⅡC Gb/ Ex tD A21 IP65 |
| 防護級別 | IP65 |
| 電氣參數 | |
| 額定電壓 | AC220V/380V |
| 額定功率 | 2、3、6、9KW |
| 工作頻率 | 50Hz |
| 機械參數 | |
| 材質 | 碳鋼Q235A(標配)其它材質請聯系 |
| 電纜引入裝置 | 根據功率而定 |
| 環境指標 | |
| 大氣壓力 | 80~106KPa |
| 相對濕度 | ≤95%RH(+25℃) |
| 海拔高度 | ≤2000m |
| 環境溫度 | -45℃~+60℃ |
可選件(以實物為準):
隔爆斷路器 防爆撓性連接管 防爆接線箱 防爆插接裝置


防爆空調:0377-63235228/ 63250906
監控通訊:0377-61616099/ 63707156
防爆箱柜:0377-63283138/ 63251136
燈具附件:0377-63265710
傳 真:0377-63235296 63212576
公司郵箱:yitongex@163.com
公司官網:m.lnhvs.com
版權所有:一通防爆
備案號:豫ICP備11022688號-1